產品展示
Products
Products
量程范圍:-0.1~100MPa
精 度:0.25%FS
過 壓:150%FS
穩定性誤差:≤0.1%FS
供電電壓:12~30V DC
輸出信號:4~20mA、RS485
顯示方式:LED/LCD
電氣接口:M12*1.5
過程溫度:-40℃~150℃
環境溫度:-20℃~70℃
防護等級: IP65
外殼材質:壓鑄鋁
膜片材質:316L不銹鋼
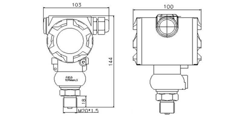
連接方式:G1/4”、G1/2”、M20*1.5、2”衛生卡箍
|
工業型壓力變送器概述 |
|
UVPS系列壓力變送器是通過采用帶隔離的硅壓阻式壓力敏感元件封裝于不銹鋼組成,外殼和接口均采用不銹鋼殼材質,結構小巧緊湊,介質兼容性好。內部電子模塊采用全數字電路設計,具備很強的抗干擾能力,性能穩定可靠,廣泛應用于水利、液壓、氣動、環保、醫療等行業。 |
| 工業型壓力變送器優勢 |
![]() |
| 工業型壓力變送器尺寸圖 |
![]() |

